公司地址:襄陽市樊城區春園西路賈洼工業園 郵箱:xfycdq@163.com
軟起動柜也視一個總類,那么可以分為高壓軟起動柜,低壓軟起動柜,液體電阻軟起動柜,幾種,還有高壓固態軟起動柜,高壓籠型軟起動柜等等,基本都是軟起動柜。那么下面具體來介紹一下軟啟動器的作用吧,其實軟啟動器就是安裝在軟起動柜里面的元器件。這里是源創電氣為大家講解的基本知識,供大家參考,大家一定要看看啊。
源創電氣告訴大家,軟啟動器的分類主要有手機桌面軟啟動器和電機軟啟動器。手機桌面軟啟動器主要有Holo軟啟動器和ss軟啟動器;軟啟動器分高壓軟啟動器和低壓軟啟動器,如abb軟啟動器、西門子軟啟動器等。

源創電氣告訴大家,Holo軟啟動器是一款高仿ICS/Jelly Bean原生風格的軟啟動器,簡潔、強大、快速以及高度可定制是它最大的特點。Holo軟啟動器英文名叫Holo Launcher,Holo Launcher支持Android 2.2及以上系統,讓您不用將系統升級到ICS也能用上Holo/ICS風格的軟啟動器!
源創電氣告訴大家,SS軟啟動器的桌面界面風格非常特別,不像大多數桌面軟啟動器那樣以圖標的形式顯示桌面應用快捷方式,屏幕下方也沒有標志性的托盤。整個主頁中所有的功能都以文字代替,如phone、messaging、camera和browser等等,字體和風格各異,看上去與雜志封面的效果很像。SS桌面每個主屏的風格都不同,首頁是雜志封面風格,而后面還有常用軟件頁、聯系人頁等,界面風格也都很有特色,完全沒有Android原生界面的痕跡。
軟啟動器是用于交流電動機的起動,直流電機不需要,因為用到直流電機的設備都需要調速,在以后的文章中我們再討論直流電機驅動。交流電動機常用的有交流同步電動機、交流異步電動機、繞線式交流異步電動機等,這幾種功率大一點的電機都需要用到軟啟動器。

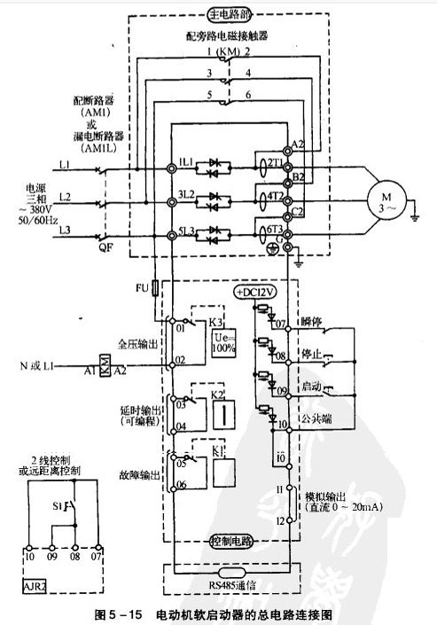
源創電氣告訴大家,軟啟動器是通過控制可控硅的導通角來控制輸出電壓,軟啟動器是一種集電機軟起動、軟停車電機控制裝置,國外稱為Soft Starter。軟啟動器采用三相反并聯晶閘管作為調壓器,將其接入電源和電動機定子之間。這種電路如三相全控橋式整流電路。使用軟啟動器啟動電動機時,晶閘管的輸出電壓逐漸增加,電動機逐漸加速,直到晶閘管全導通,電動機工作在額定電壓的機械特性上,實現平滑啟動,降低啟動電流,避免啟動過流跳閘。待電機達到額定轉數時,啟動過程結束,軟啟動器自動用旁路接觸器取代已完成任務的晶閘管,為電動機正常運轉提供額定電壓,以降低晶閘管的熱損耗,延長軟啟動器的使用壽命,提高其工作效率,又使電網避免了諧波污染。軟啟動器同時還提供軟停車功能,軟停車與軟啟動過程相反,電壓逐漸降低,轉數逐漸下降到零,避免自由停車引起的轉矩沖擊。
源創電氣告訴大家,軟啟動器從本質上是一種能夠自動控制的降壓軟啟動器,由于能夠任意調節輸出電壓,作電流閉環控制,因而比傳統的降壓啟動方式如串電阻啟動,自耦變壓器啟動等有更多優點。例如滿載啟動風機水泵等變轉矩負載、實現電機軟停止、應用于水泵能完全消除水錘效應等。
源創電氣告訴大家,軟啟動器的分類也很多,按電機額定電壓可以分為低壓軟啟動器和高壓軟啟動器,接分壓器件又分為固態軟啟動器和液阻軟啟動器等。軟啟動器的分類固然多,但選型起來還要看電機型號和成本預算,像繞線式異步電動機,不管是高壓還是低壓,主要選用液阻軟啟動器,因為用到繞線式異步電動機的設備都是重載起動,像球磨機、破碎機等,液阻軟啟動器接到繞線電機的轉子上,起到分壓限流的作用。如果不小心選了固態軟啟動器,那電機就要經常燒壞,因為在調試時要保證電機順利起動,又不能燒壞軟啟動器,軟啟動器的電流設置往往不能太小,時間也不能太短,因此電機溫升很快容易燒壞,繞線電機在國內90%以上的都是選用液阻軟啟動器,起動效果好而且價格低。對于鼠籠式異步電機和同步電機選用液阻軟啟動器還是固態軟啟器都是可以的,這兩種軟啟動器的作用都是一樣,主要就是分壓限流,但到底選哪一種主要看價格預算,由于構造及內部元件不同,價格差別也大,對于高壓電機,固態軟啟動器的價格比液阻軟啟動器高3-10倍左右。
下一篇:軟啟動廠家哪家好一些?




(不想等待可點擊按鈕通過QQ進行溝通,或直接電聯。)
關閉